水工建筑
1 丹江口大坝加高加固工程
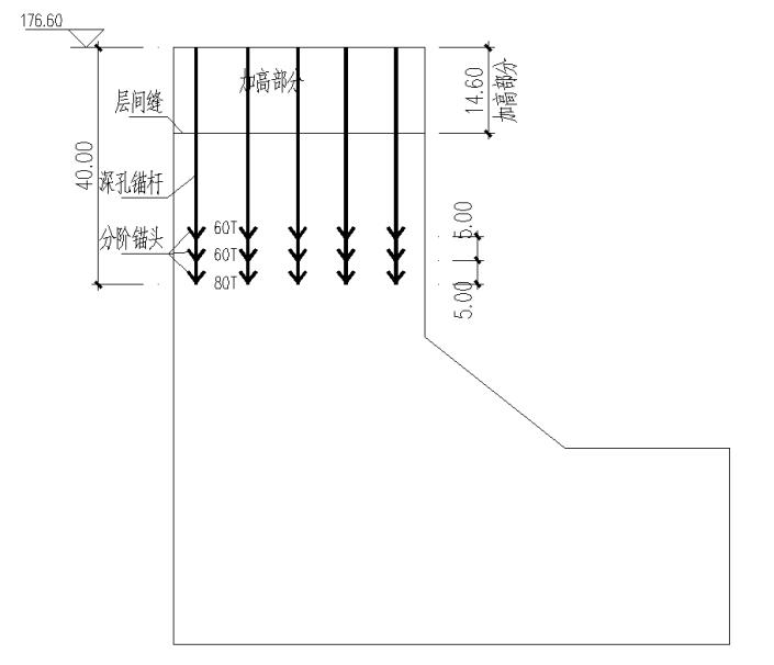
丹江口大坝加高工程是国内规模最大的大坝加高工程,坝顶高程由162米增加到176.6米,正常蓄水位由157米抬高到170米。闸墩加高后,部分层问缝位于闸墩下部,这些水平层间缝削弱了闸墩刚度和整体性,影响闸墩加高后的结构受力性能。为此,对初期闸墩施加竖向预压应力加固,以提高闸墩的整体性和耐久性。
根据设计,闸墩新增1000吨预应力根据计算每个闸墩增加1000吨预应力,长度45m,每个闸墩5孔,每孔200吨。内锚头分为3层,3层内锚头上下分布间距间隔5m,底层80吨,上面两层各60吨。
图1 丹江口大坝加高加固
2 天荒坪水工检修廊道加固工程
华东天荒坪抽水蓄能电站于1998年11月建成并投入使用。廊道结构型式为城门洞型,除在不同廊道交接处很小的范围内采用全断面现浇混凝土外,廊道的其余部位均采取以下措施:廊道底板和边墙采用现浇混凝土,而拱体采用预制混凝土,廊道受上部土压力和水库水压力共同作用。
电站运行一段时间后,现场发现预制混凝土拱顶出现了沿廊道轴向方向的纵向裂缝,预制拱与现浇边墙交接处混凝土出现剥落,这对廊道的安全运行构成了威胁。最后采用sunbet申搏官方网站公司自锁锚杆将加固用钢板进行锚固,场地解决问题。本项目2000年实施,使用自锁锚杆4.6万只,是扩孔自锁锚杆的第一次大规模应用。
图2 天荒坪水工检修廊道加固
3 南水北调中线穿黄隧洞加固工程
穿黄工程位于河南省郑州市黄河上游约30km处,线路总19.30km,主体工程由南、北岸渠道、南岸退水洞、进口建筑物、穿黄隧洞、出口建筑物、北岸防护堤、北岸新、老蟒河交叉工程,以及孤柏嘴控导工程等组成。其中最引人瞩目的也是难度最大的穿黄隧洞,单洞长4250m,包括过河隧洞和邙山隧洞,其中过河隧洞段长3450m,邙山隧洞段长800m,隧洞采用双层衬砌,外衬为预制钢筋混凝土管片,内径7.9m,内衬为现浇预应力钢筋混凝土,成洞内径为7.0m。隧洞为双洞平行布置,中心线间距为28m,各采用1台泥水平衡盾构机自黄河北岸竖井始发向南岸掘进施工。穿黄隧洞最大埋深35m,最小埋深23m;断面最大水压为4.5MPa。南水北调中线工程2014年12月12日正式通水,至2019年已运行近5年,考虑到穿黄隧洞的重要性,在保证中线干线工程正常通水的情况下,计划安排在冬季输水量较小时开展单洞停水检查维护工作,本次对A洞进行检查维护。
隧洞加固方案采用内衬钢板加固。钢板与管片采用自锁锚杆进行锚固。
图3 穿黄隧洞加固
4 深圳东江水源工程输水隧洞加固工程
东江⽔源是深圳的供⽔⼯程“⽣命线”,2021年恰逢东江⽔源⼯程通⽔20周年,在3⽉8⽇~4⽉6⽇停⽔检修期间,sunbet申搏官方网站承担了⻓岭陂隧洞、碧岭隧洞、布吉压⼒隧洞段的加固⼯作,加固总⻓度近600m,是⼀场⼤规模应急抢险会战!sunbet申搏官方网站投⼊管理⼈员20名,⼯⼈600⼈,购买钢材约600吨,按期圆满完成了抢修任务,获得“应急抢险铁军”美誉!
本次隧洞检修主要是对隧洞衬砌环向断⾯采⽤内贴钢板⽅式进⾏加固补强,该处理⽅式均采⽤⾃锁锚杆替代化学植筋进⾏后锚固,解决了输⽔隧洞结构在⻓期泡⽔、潮湿环境下运⾏耐久性的技术问题。
图4 深圳东江水源工程输水隧洞加固
5 南水北调中线工程渡槽止水带修复安装工程
自2012年-2020年期间,sunbet申搏官方网站承接南水北调中线90%的渡槽止水带安装及维护工程,造价过2000万元,比较典型的有:沙河渡槽、澧河渡槽、严陵河渡槽、刁河渡槽、双洎河渡槽、湍河渡槽、贾河渡槽、北排河渡槽、漕河渡槽和水北沟渡槽。
图5 南水北调中线工程渡槽止水带修复安装
6 欧阳海灌区石洞江渡槽加固工程
本工程于2017-2018年施工。石洞江渡槽结构形式为单排架简支不等跨变截面双悬臂U型槽,全长1092米,建成于1969年。主要施工内容包括:渡槽内壁粘贴玻璃纤维布,外壁粘贴芳纶纤维布,排架柱包钢,基础加大截面,基础增设钢管桩等。本工程成功应用了sunbet申搏官方网站渡槽专用检修架车,替代了复杂的钢管架平台,不占用耕地,社会经济价值显著。渡槽检修架车安装在渡槽顶部,启动电机即可行走,下方悬挂作业平台,遇到排架柱可分离旋转展开通过,使用快捷。
图6 欧阳海灌区石洞江渡槽加固
7 西洱河闸墩加固工程
西洱河二级水电站为引水式电站,利用水头121m,电站装机50MW。首部枢纽拦河坝为混凝土重力坝。该电站于1972年5月开工建设,1978年7月1日第一台机组发电,1980年12月20日竣工。
西洱河梯级电站拦河坝泄洪冲砂底孔闸墩于1991年洪水前发现竖向裂缝和水平裂缝,两孔闸墩裂缝均以闸孔中心线为中心轴呈基本对称。中墩竖向裂缝已经左右贯通;两个边墩的竖向裂缝均未贯通,裂缝深度约30cm;水平裂缝均未贯通,其深度约为25cm左右。
西洱河电站大坝弧形闸门位于水下50m,尺寸12m宽12m高,闸门承受着大约7200多吨的水压力,传递到两侧的闸墩上,而闸墩在弧形闸门处的配筋一般是扇形配置,在如此大的推力作用下,在扇形区域的末端出现了裂缝。根据计算结果分析,判断裂缝成因为扇形钢筋长度不足。
加固方案采用在闸墩内新增扩孔自锁锚杆替代原扇形钢筋:裂缝修补后,自锁锚杆穿过裂缝区域,在可靠位置锚固后,施加预应力。自锁锚杆安装后其使用寿命与原结构相同。施加预应力后控制裂缝张开,确保结构安全性和耐久性。
图7 西洱河大坝闸墩弧门支座牛腿加固
8 陆水水库启闭机排架柱基础加固工程
图8 陆水水库启闭机排架柱基础加固


