SUNBET·申博(中国区)官方网站-Official Website
全国服务热线
语言选择 :
EN
027-87253366 027-87253338
首页
公司介绍
公司简介
战略合作
sunbet中国官网
公司资质
sunbet申搏平台
企业荣誉
组织架构
sunbet集团中国官网入口
专家团队
公司动态
企业快讯
走近sunbet申搏官方网站
人才招聘
企业报
创新成果
创新成果汇编
移位成果汇编
钢滑道顶升成套设备(专利80项...
扩孔自锁锚固(专利163项)
粘接型钢加大截面加固法(专利5...
面层清水混凝土(专利9项)
钢结构无损加固法(专利11项)
桥梁检修架车(专利28项)
渡槽专用围堰(专利11项)
渡槽检修架车(专利2项)
水下钢围堰(专利6项)
水工抗冲磨(专利5项)
主要产品
锚固产品(锚杆)
粘结材料
灌注材料
修补材料
水工抗冲磨材料
涂装材料
设计之窗
钢滑道顶升设计
自锁锚杆设计
建筑师窗口
结构师窗口
加固改造设计
检测鉴定
新型技术
业务范围
工程施工
综合改造
自锁锚固
平移旋转
顶升顶降
顶升纠偏
空间拓展
文物保护
行业案例
特色管理
客户评价
应急抢险
联系我们
联系我们
设计之窗
Design window
Design window
设计之窗
钢滑道顶升设计
自锁锚杆设计
建筑师窗口
结构师窗口
加固改造设计
武大sunbet申搏官方网站股份有限公司
WUDAJUCHENG STRUCTURE CO.,LTD
总部:
武汉市东湖新技术开发区武大园路4号
邮编:
430223
电话:
027-87253366
027-87253338
邮箱:
wdjc@wudajucheng.com
首页
>
设计之窗
> 结构师窗口
结构师窗口
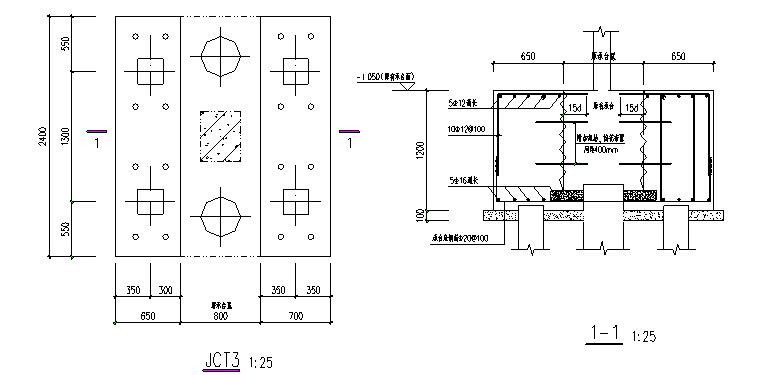
扩孔自锁锚固技术
粘结型钢加固技术
面贴式止水带技术
水工混凝土抗冲耐磨修补技...
后浇清水混凝土面层设计
建(构)物顶升纠偏加固
共 1 页 页次
1
/1 页
上一页
下一页
转到